ماژولهای DC/DC ایزوله (Isolated DC/DC Converters) نوعی مبدل توان هستند که ولتاژ ورودی DC را …
ادامه مطلب >تفاوت تراشههای INA128 و INA126
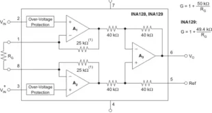
تراشههای INA128 و INA126 هر دو تقویتکنندههای ابزار دقیق (Instrumentation Amplifiers) دقیق و کم مصرف از شرکت تگزاس اینسترومنتس هستند، اما تفاوتهای اصلی آنها در معماری داخلی، مصرف توان، دقت، و پهنای باند نهفته است. خلاصه تفاوتها در جدول زیر آمده است و در ادامه جزئیات کامل شرح داده شده است. ویژگیINA128INA126معماری داخلیسه آپ امپ (3-Op Amp)دو آپ امپ (2-Op …
ادامه مطلب >
سایت آموزشی الکترونیک و کامپیوتر اوپن مقاله های آموزشی الکترونیک و کامپیوتر و فن آوری
